Drehstromtechnik Übungen - Lösung
Aufgabe 1:
Gegeben ist ein Drehstromnetz mit folgenden Spannungen:
U1=230V ej0°, U2=230V e-j120°, U3=230V ej120°
Bestimmen Sie die Außenleiterspannungen U12, U23 und U31!

|
- Kommawerte mit Punkt eingeben!
- Alle Werte dreistellig und gerundet eingeben!
|
Zur Übersicht
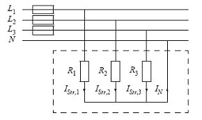
Aufgabe 2:
Die drei Heizwiderstände eines Nachtspeicherofens sind wie folgt an einem Drehstromnetz angeschlossen (R1 = R2 = R3 = 1 kΩ):
- Berechnen Sie
- die Ströme durch die Widerstände (Strangströme),
- die Ströme durch die Zuleitungen (Außenleiterströme), sowie
- den Strom durch den Neutralleiter!
- Berechnen Sie die Strang- und Gesamtleistung!
- Wie ändern sich die Spannungen, Ströme und Leistungen, wenn die Sicherung von L1 ausfällt?
|
 |
- Kommawerte mit Punkt eingeben!
- Alle Werte dreistellig und gerundet eingeben!
|
|
|
|
|
| c. Nur die folgenden Werte ändern sich. Alle anderen bleiben erhalten. |
|
|
|
Zur Übersicht
Aufgabe 3:
Ein Drehstromnetz wird mit verschiedenen Verbrauchern wie folgt belastet:
(R1 = 4,7 kΩ, R2 = 1 kΩ und R3 = 2,2 kΩ, Sternschaltung)
Berechnen Sie
- die Außenleiter- und Strangströme,
- den Strom durch den Nullleiter,
- die Strangleistung und
- die Gesamtleistung!
|
- Kommawerte mit Punkt eingeben!
- Alle Werte dreistellig und gerundet eingeben!
|
|
|
|